该系列隔振器含锥形外法兰和锥形管,橡胶通过硫化和金属件粘接
针对不同的应用,通过调整锥度和橡胶硬度,获得最佳的减振效果
应用 Field of application
静止或移动式设备,如发动机、驾驶室、铁路用风机、空调、变压器、压缩机等。
优点 Advantages
▶
垂向固有频率低,可提供良好的隔振效果;
▶
横向稳定性好,横向刚度为垂向刚度的1.4倍;
▶
环境适应能力强,可耐各种油污及化学腐蚀(取决于所采用的胶料种类);
▶ 防缓冲垫片具有失效防护功能。
主要技术数据 Main technical data:
▶
固有频率6-30Hz
▶ 轴向和径向刚度比约1:1.4
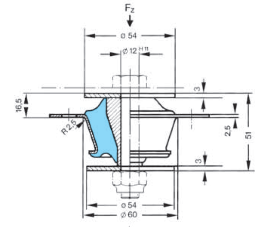
尺寸Dimensions
技术参数Characteristics
|
BFR 型号 |
硬度 |
额定载荷kg |
刚度 N/mm |
颜色标记 |
|
BFR860 010-01 |
45 |
100 |
240 |
绿 |
|
BFR860 010-02 |
55 |
160 |
440 |
蓝 |
|
BFR 860 010-03 |
65 |
260 |
680 |
紫 |
|
BFR
860 010-11 |
|
80 |
190 |
绿+白 |
|
BFR 860 010-12 |
|
120 |
260 |
蓝+白 |
安装示意图Assembly
